○私人の行う歩道縁石の切下げに係る取扱い要領
| (平成26年4月1日内規第410号) |
|
|
第1条 交差点又は横断歩道の側端から5m以上離すこと。ただし、この要領により難い場合は、所轄警察署と十分協議するものとすること。
第2条 既設出入口から3.5m以上離すこと。ただし、特に必要があると認められる場合はこの限りではない。
第3条 1施設1箇所とし、縁石の切下げ幅は低下石部で4m以内とする。ただし、給油所、自動車ターミナル、その他等で大型車両を対象とする施設については必要に応じ間口前面に2箇所迄認め、1箇所当り6m未満とすることができる。
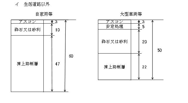
第4条 切下げ区間の舗装と路盤厚の合計厚は、自宅車庫等は30cm、大型車両及び出入りする車両が多い場合等は50cmとし、その構造は別図1を標準とする。
別図1
第5条 歩道路面に対する横断すり付け延長は50cm~100cmの範囲とし、車両の状況により別図2のとおりとすること。ただし、土木型縁石は100cm、その他は50cmとし、特殊な場合は別途協議すること。
別図2
第6条 旧切下げ低下石部の位置変更及び廃止による歩道変形部等の復旧は、全面復旧するものとする。
第7条 路盤改良、舗装新設工事等においても本要領を厳守する。ただし、特殊な状況により、この要領により難い場合は道路管理者と協議するものとすること。
附 則
この要領は平成18年3月5日より施行する。