○北見市準用河川管理施設等の構造の技術的基準を定める条例
| (平成25年3月18日条例第9号) |
|
|
目次
第1章 総則(第1条・第2条)
第2章 堤防(第3条-第19条)
第3章 床止め(第20条-第23条)
第4章 堰(第24条-第27条)
第5章 水門及び樋門(第28条-第34条)
第6章 橋(第35条-第42条)
第7章 伏せ越し(第43条-第47条)
第8章 雑則(第48条-第50条)
附則
第1章 総則
(趣旨)
第1条 この条例は、河川法(昭和39年法律第167号。以下「法」という。)第100条第1項において準用する法第13条第2項の規定に基づき、河川管理施設又は法第26条第1項の許可を受けて設置される工作物(以下「許可構造物」という。)のうち、堤防その他の主要なものの構造について河川管理上必要とされる技術的基準について必要な事項を定める。
(用語の定義)
第2条 この条例における用語の意義は、法及び河川管理施設等構造令(昭和51年政令第199号。以下「構造令」という。)において使用する用語の例による。
第2章 堤防
(適用の範囲)
第3条 この章の規定は、流水が河川外に流出することを防止するために設ける堤防について適用する。
(構造の原則)
第4条 堤防は、護岸、水制その他これらに類する施設と一体として、計画高水位(高潮区間にあっては、計画高潮位)以下の水位の流水の通常の作用に対して安全な構造とするものとする。
(材料及び構造)
第5条 堤防は、盛土により築造するものとする。ただし、土地利用の状況その他の特別の事情により、やむを得ないと認められる場合においては、その全部若しくは主要な部分がコンクリート、鋼矢板若しくはこれらに準ずるものによる構造のものとし、又はコンクリート構造若しくはこれに準ずる構造の胸壁を有するものとすることができる。
(高さ)
第6条 堤防の高さは、計画高水位に0.6メートルを加えた値以上とするものとする。ただし、堤防に隣接する堤内の土地の地盤高(以下「堤内地盤高」という。)が計画高水位より高く、かつ、地形の状況等により治水上の支障がないと認められる区間にあっては、この限りでない。
2 前項の堤防のうち計画高水流量を定める湖沼又は高潮区間の堤防の高さは、同項の規定によるほか、湖沼の堤防にあっては計画高水位に、高潮区間の堤防にあっては計画高潮位に、それぞれ波浪の影響を考慮して必要と認められる値を加えた値を下回らないものとするものとする。
3 計画高水流量を定めない湖沼の堤防の高さは、計画高水位(高潮区間にあっては、計画高潮位。次項において同じ。)に波浪の影響を考慮して必要と認められる値を加えた値以上とするものとする。
4 胸壁を有する堤防の胸壁を除いた部分の高さは、計画高水位以上とするものとする。
(天端幅)
第7条 堤防の天端幅は、堤防の高さと堤内地盤高との差が0.6メートル未満である区間を除き、3メートル以上とするものとする。
2 計画高水流量を定めない湖沼の堤防の天端幅は、堤防の高さ及び構造並びに背後地の状況を考慮して、3メートル以上の適切な値とするものとする。
(盛土による堤防の法勾配)
第8条 盛土による堤防(胸壁の部分及び護岸で保護される部分を除く。次項において同じ。)の法勾配は、堤防の高さと堤内地盤高との差が0.6メートル未満である区間を除き、50パーセント以下とするものとする。
2 盛土による堤防の法面は、芝等によって覆うものとする。
(小段)
第9条 堤防の安定を図るため必要がある場合においては、その中腹に小段を設けるものとする。
2 堤防の小段の幅は、3メートル以上とするものとする。
(側帯)
第10条 堤防の安定を図るため必要がある場合又は非常用の土砂等を備蓄し、若しくは環境を保全するため特に必要がある場合においては、次の各号に定めるところにより、堤防の裏側の脚部に側帯を設けるものとする。
(1) 第1種側帯 旧川の締切箇所、漏水箇所その他堤防の安定を図るため必要な箇所に設けるものとし、その幅は3メートル以上とする。
(2) 第2種側帯 非常用の土砂等を備蓄するため特に必要な箇所に設けるものとし、その幅は、5メートル以上で、かつ、堤防敷(側帯を除く。)の幅の2分の1以下(20メートル以上となる場合は、20メートル)とし、その長さは、おおむね長さ10メートルの堤防の体積(100立方メートル未満となる場合は、100立方メートル)の土砂等を備蓄するために必要な長さとすること。
(3) 第3種側帯 環境を保全するため特に必要な箇所に設けるものとし、その幅は、5メートル以上で、かつ、堤防敷(側帯を除く。)の幅の2分の1以下(20メートル以上となる場合は、20メートル)とすること。
(護岸)
第11条 流水の作用から堤防を保護するため必要がある場合においては、堤防の表法面又は表小段に護岸を設けるものとする。
(水制)
第12条 流水の作用から堤防を保護するため、流水の方向を規制し、又は水勢を緩和する必要がある場合においては、適当な箇所に水制を設けるものとする。
(堤防に沿って設置する樹林帯)
第13条 堤防に沿って設置する樹林帯は、成木に達したときの胸高直径が30センチメートル以上の樹木が10平方メートル当たり1本以上あるものその他洪水時における破堤の防止等の効果がこれと同等以上のものとする。
(管理用通路)
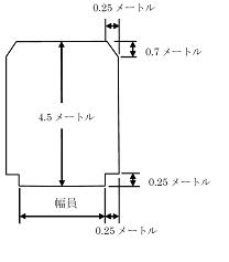
第14条 堤防には、次の各号に定めるところにより、河川の管理のための通路(以下「管理用通路」という。)を設けるものとする。ただし、管理用通路に代わるべき適当な通路がある場合、堤防の全部若しくは主要な部分がコンクリート、鋼矢板若しくはこれらに準ずるものによる構造のものである場合又は堤防の高さと堤内地盤高との差が0.6メートル未満の区間である場合においては、この限りでない。
(1) 幅員は、3メートル以上で堤防の天端幅以下の適切な値とすること。
(2) 建築限界は、次の図に示すところによること。
(波浪の影響を著しく受ける堤防に講ずべき措置)
第15条 湖沼、高潮区間又は2以上の河川の合流する箇所の堤防その他の堤防で波浪の影響を著しく受けるものには、必要に応じ、次に掲げる措置を講ずるものとする。
(1) 表法面又は表小段に護岸又は護岸及び波返工を設けること。
(2) 全面に消波工を設けること。
2 前項の堤防で越波のおそれのあるものには、同項に規定するもののほか、必要に応じ、次に掲げる措置を講ずるものとする。
(1) 天端、裏法面及び裏小段をコンクリートその他これに類するもので覆うこと。
(2) 裏法尻に沿って排水路を設けること。
(背水区間の堤防の高さ及び天端幅の特例)
第16条 甲河川と乙河川が合流することにより乙河川に背水が生ずることとなる場合においては、合流箇所より上流の乙河川の堤防の高さは、第6条第1項から第3項までの規定により定められるその箇所における甲河川の堤防の高さを下回らないものとするものとする。ただし、堤内地盤高が計画高水位より高く、かつ、地形の状況等により治水上の支障がないと認められる区間及び逆流を防止する施設によって背水が生じないようにすることができる区間にあっては、この限りでない。
2 前項本文の規定により乙河川の堤防の高さが定められる場合においては、その高さと乙河川に背水が生じないとした場合に定めるべき計画高水位に、計画高水流量に応じ、第6条第1項に掲げる値を加えた高さとが一致する地点から当該合流箇所までの乙河川の区間(湖沼である河川の区間を除く。以下「背水区間」という。)の堤防の天端幅は、第7条第1項又は第2項の規定により定められるその箇所における甲河川の堤防の天端幅を下回らないものとするものとする。ただし、堤内地盤高が計画高水位より高く、かつ、地形の状況等により治水上の支障がないと認められる区間にあっては、この限りではない。
(湖沼又は高潮区間の堤防の天端幅の特例)
第17条 計画高水流量を定める湖沼又は高潮区間の堤防に第15条第1項第1号に掲げる措置を講ずる場合においては、当該堤防の天端幅は、第7条第1項及び前条第2項の規定にかかわらず、第15条の規定により講ずる措置の内容及び当該堤防に接続する堤防(計画横断形が定められている場合には、計画堤防)の天端幅を考慮して、3メートル以上の適切な値とすることができる。
(天端幅の規定の適用除外等)
第18条 その全部又は主要な部分がコンクリート、鋼矢板又はこれらに準ずるものによる構造の堤防については、第7条及び第16条第2項及び前条の規定は、適用しない。
2 胸壁を有する堤防に関する第7条及び第16条第2項及び前条の規定の適用については、胸壁を除いた部分の上面における堤防の幅から胸壁の直立部分の幅を減じたものを堤防の天端幅とみなす。
(連続しない工期を定めて段階的に築造される堤防の特例)
第19条 堤防の地盤の地質、対岸の状況、上流及び下流における河岸及び堤防の高さその他の特別の事情により、連続しない工期を定めて段階的に堤防を築造する場合においては、それぞれの段階における堤防について、計画堤防の高さと当該段階における堤防の高さとの差に相当する値を計画高水位(高潮区間にあっては、計画高潮位)から減じた値の水位を計画高水位とみなして、この章(第16条及び前条を除く。)の規定を準用する。
第3章 床止め
(構造の原則)
第20条 床止めは、計画高水位(高潮区間にあっては、計画高潮位)以下の水位の流水の作用に対して安全な構造とするものとする。
2 床止めは、付近の河岸及び河川管理施設の構造に著しい支障を及ぼさない構造とするものとする。
(護床工及び高水敷保護工)
第21条 床止めを設ける場合において、これに接続する河床又は高水敷の洗掘を防止するため必要があるときは、適当な護床工又は高水敷保護工を設けるものとする。
(護岸)
第22条 床止めを設ける場合においては、流水の変化に伴う河岸又は堤防の洗掘を防止するため、次の各号に定めるところにより、護岸を設けるものとする。ただし、地質の状況等により河岸又は堤防の洗掘のおそれがない場合その他治水上の支障がないと認められる場合は、この限りでない。
(1) 床止めに接する河岸又は堤防の護岸は、上流側は床止めの上流端から10メートルの地点又は護床工の上流端から5メートルの地点のうちいずれか上流側の地点から、下流側は水叩きの下流端から15メートルの地点又は護床工の下流端から5メートルの地点のうちいずれか下流側の地点までの区間に設けること。
(2) 前号に掲げるもののほか、河岸又は堤防の護岸は、湾曲部であることその他河川状況等により特に必要と認められる区間を設けること。
(3) 河岸(低水路の河岸を除く。以下この号において同じ。)又は堤防の護岸の高さは、計画高水位以上とすること。ただし、床止めの設置に伴い流水が著しく変化することとなる区間にあっては、河岸又は堤防の高さとすること。
(4) 低水路の河岸の護岸の高さは、低水路の河岸の高さとすること。
(魚道)
第23条 床止めを設ける場合においては、魚類の遡上等を妨げないようにするため必要があるときは、次の各号に定めるところにより、魚道を設けるものとする。
(1) 床止めの直上流部及び直下流部における通常予想される水位変動に対して魚類の遡上等に支障がないものとすること。
(2) 床止めに接続する河床の状況、魚道の流量、魚道において対象とする魚種等を適切に考慮したものとすること。
第4章 堰
(構造の原則)
第24条 堰は、計画高水位以下(高潮区間にあっては、計画高潮位)の水位の流水の作用に対して安全な構造とするものとする。
2 堰は、計画高水位以下の水位の洪水の流下を妨げず、付近の河岸及び河川管理施設の構造に著しい支障を及ぼさず、並びに堰に接続する河床及び高水敷の洗掘の防止について適切に配慮された構造とするものとする。
(流下断面との関係)
第25条 可動堰の可動部(流水を流下させるためのゲート及びこれを支持する堰柱に限る。)以外の部分及び固定堰は、流下断面(計画横断形が定められている場合には、当該計画横断形に係る流下断面を含む。以下この条において同じ。)内に設けてはならない。ただし、山間狭窄部であることその他河川の状況、地形の状況等により治水上支障がないと認められるとき、及び河床の状況により流下断面内に設けることがやむを得ないと認められる場合において、治水上の機能の確保のため適切と認められる措置を講ずるときは、この限りでない。
(護床工等)
第26条 第21条から第23条までの規定は、堰を設ける場合について準用する。
(洪水を分流させる堰に関する特例)
第27条 第25条の規定は、洪水を分流させる堰については、適用しない。
[第25条]
第5章 水門及び樋門
(構造の原則)
第28条 水門及び樋門は、計画高水位(高潮区間にあっては、計画高潮位)以下の水位の流水の作用に対して安全な構造とするものとする。
2 水門及び樋門は、計画高水位以下の水位の洪水の流下を妨げず、付近の河岸及び河川管理施設の構造に著しい支障を及ぼさず、並びに水門又は樋門に接続する河床及び高水敷の洗掘の防止について適切に配慮された構造とするものとする。
(構造)
第29条 水門及び樋門(ゲート及び管理施設を除く。)は、鉄筋コンクリート構造又はこれに準ずる構造とするものとする。
2 樋門は、堆積土砂等の排除に支障のない構造とするものとする。
(断面形)
第30条 河川を横断して設ける水門及び樋門の流水を流下させる部分の断面形は、計画高水流量を勘案して定めるものとする。
2 前項の規定は、河川及び準用河川以外の水路が河川に合流する箇所において当該水路を横断して設ける水門及び樋門について準用する。
(ゲート等の構造)
第31条 水門及び樋門のゲートは、確実に開閉し、かつ、必要な水密性を有する構造とするものとする。
2 水門及び樋門のゲートは、鋼構造又はこれに準ずる構造とするものとする。
3 水門及び樋門のゲートの開閉装置は、ゲートの開閉を確実に行うことができる構造とするものとする。
(水門のゲートの高さ等)
第32条 水門のカーテンウォールの上端の高さ又は水門のカーテンウォールを有しない水門のゲートの閉鎖時における上端の高さは、水門に接続する堤防(計画横断形が定められている場合において、計画堤防の高さが現状の堤防の高さより低く、かつ、治水上の支障がないと認められるとき、又は計画堤防の高さが現状の堤防の高さより高いときは、計画堤防)の高さを下回らないものとするものとする。ただし、高潮区間において水門の背後地の状況その他の特別の事情により治水上支障がないと認められるときは、水門の構造、波高等を考慮して、計画高潮位以上の適切な高さとすることができる。
2 構造令第41条第1項の規定は、河川を横断して設ける水門(流水を分流させる水門を除く。)のカーテンウォール及びゲートの高さについて、構造令第42条の規定は、河川を横断して設ける水門のカーテンウォール及びゲートの高さについて準用する。この場合において、同条「可動堰の可動部の引上げ式ゲートの最大引上げ時における下端の高さ」とあるのは、「水門のカーテンウォールの下端の高さ及び水門の引上げ式ゲートの最大引上げ時における下端の高さ」と読み替えるものとする。
(管理施設等)
第33条 構造令第43条の規定は、水門及び樋門について準用する。
2 水門は、次に定めるところにより、管理用通路として効用を兼ねる構造とするものとする。ただし、管理用通路に代わるべき適当な通路がある場合は、この限りでない。
(1) 管理橋の幅員は、水門に接続する管理用通路の幅員を考慮した適切な値とすること。
(2) 管理橋の設計自動車荷重は、20トンとすること。ただし、管理橋の幅員が3メートル未満の場合は、この限りでない。
(護床工等)
第34条 第21条及び第22条の規定は、水門及び樋門を設ける場合について準用する。
第6章 橋
(河川区域内における橋台及び橋脚の構造の原則)
第35条 河川区域内に設ける橋台及び橋脚は、計画高水位(高潮区間にあっては、計画高潮位)以下の水位の流水の作用に対して安全な構造とするものとする。
2 河川区域内に設ける橋台及び橋脚は、計画高水位以下の水位の洪水の流下を妨げず、付近の河岸及び河川管理施設の構造に著しい支障を及ぼさず、並びに橋台又は橋脚に接続する河床及び高水敷の洗掘の防止について適切に配慮された構造とするものとする。
(橋台)
第36条 河岸又は川幅が50メートル以上の河川、背水区間若しくは高潮区間に係る堤防(計画横断形が定められている場合には、計画堤防。以下この条において同じ。)に設ける橋台は、流下断面内に設けてはならない。ただし、山間狭窄部であることその他河川の状況、地形の状況等により治水上の支障がないと認められるときは、この限りでない。
2 堤防に設ける橋台(前項の橋台に該当するものを除く。)は、堤防の表法肩より表側の部分に設けてはならない。
3 堤防に設ける橋台の表側の面は、堤防の法線に平行して設けるものとする。ただし、堤防の構造に著しい支障を及ぼさないために必要な措置を講ずるときは、この限りでない。
4 堤防に設ける橋台の底面は、堤防の地盤に定着させるものとする。
(橋脚)
第37条 河道内に設ける橋脚(基礎部(底版を含む。次項において同じ。)その他流水が作用するおそれがない部分を除く。以下この項において同じ。)の水平断面は、できるだけ細長い楕円形その他これに類する形状のものとし、かつ、その長径(これに相当するものを含む。)の方向は、洪水が流下する方向と同一とするものとする。ただし、橋脚の水平断面が極めて小さいとき、橋脚に作用する洪水が流下する方向と直角の方向の荷重が極めて大きい場合であって橋脚の構造上やむを得ないと認められるとき、又は洪水が流下する方向が一定でない箇所に設けるときは、橋脚の水平断面を円形その他これに類する形状のものとすることができる。
2 河道内に設ける橋脚の基礎部は、低水路(計画横断形が定められている場合には、当該計画横断形に係る低水路を含む。以下この項において同じ。)及び低水路の河岸の法肩から20メートル以内の高水敷においては低水路の河床の表面から深さ2メートル以上の部分に、その他の高水敷においては高水敷(計画横断形が定められている場合には、当該計画横断形に係る高水敷を含む。以下この項において同じ。)の表面から深さ1メートル以上の部分に設けるものとする。ただし、河床の変動が極めて小さいと認められるとき、又は河川の状況その他の特別の事情によりやむを得ないと認められるときは、それぞれ低水路の河床の表面又は高水敷の表面より下の部分に設けることができる。
(径間長)
第38条 橋脚を河道内に設ける場合においては、当該箇所において洪水が流下する方向と直角の方向に河川を横断する垂直な平面に投影した場合における隣り合う河道内の橋脚の中心線間の距離(河岸又は堤防(計画横断形が定められている場合には、計画堤防。以下この条において同じ。)に橋台を設ける場合においては橋台の胸壁の表側の面から河道内の直近の橋脚の中心線までの距離を含み、河岸又は堤防に橋台を設けない場合においては当該平面上の流下断面(計画横断形が定められている場合には、当該計画横断形に係る流下断面)の上部の角から河道内の直近の橋脚の中心線までの距離を含む。以下この条において「径間長」という。)は、山間狭窄部であることその他河川の状況、地形の状況等により治水上の支障がないと認められる場合を除き、次の式によって得られる値(その値が50メートルを超える場合においては、50メートル)以上とするものとする。ただし、径間長を次の式によって得られる値(以下この項において「基準径間長」という。)以上とすればその平均値を基準径間長に5メートルを加えた値を超えるものとしなければならないときは、径間長は、基準径間長から5メートルを減じた値(30メートル未満となるときは、30メートル)以上とすることができる。
L=20+0.005Q(この式において、Lは径間長(単位メートル)を、Qは計画高水流量(単位1秒間につき立方メートル)を表すものとする。)
2 次の各号の一に該当する橋(国土交通省令で定める主要な公共施設に係るものを除く。)の径間長は、河川管理上著しい支障を及ぼすおそれがないと認められるときは、前項の規定にかかわらず、当該各号に掲げる値以上とすることができる。
(1) 計画高水流量が1秒間につき500立方メートル未満で、川幅が30メートル未満の河川に設ける橋 12.5メートル
(2) 計画高水流量が1秒間につき500立方メートル未満で、川幅が30メートル以上の河川に設ける橋 15メートル
(桁下高等)
第39条 橋の桁下高については、構造令第41条第1項及び第42条の規定を準用する。この場合において、同条「可動堰の可動部の引上げ式ゲートの最大引上げ時における下端の高さ」とあるのは、「橋の桁下高」と読み替えるものとする。
2 橋面(路面、地覆その他流水又は波浪が橋を通じて河川外に流出することを防止するための措置を講じた部分をいう。)の高さは、背水区間において、橋が横断する堤防(計画横断形が定められている場合において、計画堤防の高さが現状の堤防の高さより低く、かつ、治水上の支障がないと認められるとき、又は計画堤防の高さが現状の堤防の高さより高いときは、計画堤防)の高さ以上とするものとする。
(護岸等)
第40条 第21条及び第22条の規定は、橋を設ける場合について準用する。
2 前項の規定による場合のほか、橋の下の河岸又は堤防を保護するため必要があるときは、河岸又は堤防をコンクリートその他これに類するもので覆うものとする。
(管理用通路の構造の保全)
第41条 橋(取付部を含む。)は、管理用通路の構造に支障を及ぼさない構造とするものとする。
2 管理用通路の構造に支障を及ぼさない橋(取付部を含む。)の構造は、管理用通路(管理用通路を設けることが計画されている場合は、当該計画されている管理用通路)の構造を考慮して適切な構造の取付道路その他必要な施設を設けた構造とする。ただし、管理用通路に代わるべき適当な通路がある場合は、この限りでない。
(適用除外)
第42条 第36条第1項から第3項まで、第37条、第38条及び第39条の規定は、湖沼、遊水池その他これらに類するものの区域(橋の設置地点を含む一連区間における計画高水位の勾配、川幅その他河川の状況等により治水上の支障があると認められる区域を除く。)内に設ける橋及び治水上の影響が著しく小さなものとして、次の各号に掲げる橋については適用しない。
(1) 高水敷に設ける橋で小規模なもの
(2) 低水路に設ける橋で可動式とする等の特別の措置を講じたもの
2 この章(第39条及び前条を除く。)の規定は、堰又は水門と効用を兼ねる橋及び樋門に附属して設けられる橋については、適用しない。
第7章 伏せ越し
(適用の範囲)
第43条 この章の規定は、用水施設又は排水施設である伏せ越しについて適用する。
(構造の原則)
第44条 伏せ越しは、計画高水位(高潮区間にあっては、計画高潮位)以下の水位の流水の作用に対して安全な構造とするものとする。
2 伏せ越しは、計画高水位以下の水位の洪水の流下を妨げず、並びに付近の河岸及び河川管理施設の構造に著しい支障を及ぼさない構造とするものとする。
(構造)
第45条 堤防(計画横断形が定められている場合には、計画堤防を含む。以下この項において同じ。)を横断して設ける伏せ越しにあっては、堤防の下に設ける部分とその他の部分とは、構造上分離するものとする。ただし、堤防の地盤の地質、伏せ越しの深さ等を考慮して、堤防の構造に支障を及ぼすおそれがないときは、この限りでない。
2 第29条の規定は、伏せ越しの構造について準用する。
[第29条]
(ゲート等)
第46条 伏せ越しには、流水が河川外に流出することを防止するため、河川区域内の部分の両端又はこれに代わる適当な箇所にゲート(バルブを含む。次項において同じ。)を設けるものとする。ただし、地形の状況により必要がないと認められるときは、この限りでない。
2 前項のゲートの開閉装置は、ゲートの開閉を確実に行うことができる構造とするものとする。
3 構造令第43条の規定は、伏せ越しについて準用する。
(深さ)
第47条 伏せ越しは、低水路(計画横断形が定められている場合には、当該計画横断形に係る低水路を含む。以下この条において同じ。)及び低水路の河岸の法肩から20メートル以内の高水敷においては低水路の河床の表面から、その他の高水敷においては高水敷(計画横断形が定められている場合には、当該計画横断形に係る高水敷を含む。以下この条において同じ。)の表面から、堤防(計画横断形が定められている場合には、計画堤防を含む。以下この条において同じ。)の下の部分においては堤防の地盤面から、それぞれ深さ2メートル以上の部分に設けるものとする。ただし、河床の変動が極めて小さいと認められるとき、又は河川の状況その他の特別の事情によりやむを得ないと認められるときは、それぞれ低水路の河床の表面、高水敷の表面又は堤防の地盤面より下の部分に設けることができる。
第8章 雑則
(適用除外)
第48条 この条例の規定は、次に掲げる河川管理施設又は許可工作物(以下「河川管理施設等」という。)については、適用しない。
(1) 治水上の機能を早急に向上させる必要がある小区間の河川における応急措置によって設けられる河川管理施設等
(2) 臨時に設けられる河川管理施設等
(3) 工事を施行するために仮に設けられる河川管理施設等
(4) 特殊な構造の河川管理施設等で、市長がその構造が第2章から前章までの規定によるものと同等以上の効力があるものと認めるもの
[第2章]
(計画高水流量等の決定又は変更があった場合の適用の特例)
第49条 河川管理施設等が、これに係る工事の着手(許可工作物にあっては、法第26条の許可。以下この条において同じ。)があった後における計画高水流量、計画横断形、計画高水位又は計画高潮位(以下この条において「計画高水流量等」という。)の決定又は変更によってこの条例の規定に適合しないこととなった場合においては、当該河川管理施設等については、当該計画高水流量等の決定又は変更がなかったものとみなして当該規定を適用する。ただし、工事の着手が当該計画高水流量等の決定又は変更の後である改築(災害復旧又は応急措置として行われるものを除く。)に係る河川管理施設等については、この限りでない。
(小河川の特例)
第50条 計画高水流量が1秒間につき100立方メートル未満の小河川に設ける河川管理施設等については、河川管理上の支障があると認められる場合を除き、次の各号に定めるところによることができる。
(1) 堤防の天端幅は、計画高水位が堤内地盤高より高く、かつ、その差が0.6メートル未満である区間においては、計画高水流量に応じ、次の表の右欄に掲げる値以上とすること。
| 計画高水流量(1秒間につき) | 天端幅 |
| 50立方メートル未満 | 2メートル |
| 50立方メートル以上
100立方メートル未満 | 2.5メートル |
(2) 堤防の高さは、計画高水位が堤内地盤高より高く、かつ、その差が0.6メートル未満である区間においては、計画高水流量が1秒間につき50立方メートル未満であり、かつ、堤防の天端幅が2.5メートル以上である場合は、計画高水位に0.3メートルを加えた値とすること。
(3) 堤防に設ける管理用通路は、川幅が10メートル未満である区間においては、幅員は2.5メートル以上とし、建築限界は、次の図に示すところによること。
(4) 伏せ越しについては、第47条中「2メートル」とあるのは、「1メートル」と読み替えて同条を適用すること。
[第47条]
附 則
(施行期日)
1 この条例は、平成25年4月1日から施行する。
(経過措置)
2 この条例の施行の際現に存する床止め及び堰(以下「床止め等」という。)又は現に工事中の床止め等(既に河川法第26条第1項の許可を受け、工事に着手するに至らない許可工作物を含む。)がこの条例の規定に適合しない場合においては、当該河川管理施設等については、当該規定は適用しない。ただし、工事の着手(許可工作物にあっては、法第26条の許可)がこの条例の施行の後である改築(災害復旧又は応急措置として行われるものを除く。)に係る河川管理施設等については、この限りでない。